Грамотный монтаж отопления своими руками: типы оборудования и способы подключения

Изучая дополнительную информацию, можно научиться делать многие вещи самостоятельно, не прибегая к помощи профессионалов, на которых тратится большая часть денег при оплате услуг.Возможность провести монтаж своими руками отопления из медных, металлопластиковых или полипропиленовых труб появляется после тщательного изучения теории, а так же оттачивания своих умений на практике, совершая ошибки и преодолевая сложности, возникшие на пути. Сначала все это может показаться очень сложным делом, но это по-настоящему реальный шанс значительно сэкономить на производстве, а так же развить свои навыки, изучая что-то новое в процессе.
Типы отопления
Для того чтобы произвести своими руками отопление в своей обители для начала необходимо выбрать тип отопления. Чтобы обогреть частный дом, чаще всего применяют тип водяного газового отопления. Этот способ отопления включает в себя надежность, эффективность и уют. Так же стоит уделить отдельное внимание качеству оборудования и устройству системы.

Системы делятся на два вида:
- естественная циркуляция – самостоятельное движение воды по трубам;
- принудительная циркуляция – подразумевает установку насоса.
Обе системы сложны в обустройстве, но выполнить такой монтаж системы отопления своими руками вполне реально. Выбирать тип стоит исходя из своих личных предпочтений, а так же ориентируясь на общие характеристики дома, квартиры.
Производя отопление своими руками в доме нужно рассмотреть каждый тип отопления, для создания полной картины. Например, система отопления с естественной циркуляцией своими руками достойная конструкция, которая заключается в независимости от электричества. Это позволяет применять схему в районах с частным отключением света. Этот вид отопления предполагает размещение труб по диагонали. Расположение котла в этом случае будет в самой низкой зоне дома.

Принудительная циркуляция подразумевает наличие насоса, создающего циркуляционное движение. Это позволяет прокачивать воду по всем радиаторам. Так же плюсом этого типа обогрева будет наличие обогревательного оборудования, которое позволяет равномерно нагреть все комнаты и самые дальние котлы. Схема так же позволяет экономично потреблять газ, а перебои в системе электричества скажутся только на насосе, а не на всей системе полностью.
Самостоятельный монтаж

Рассматривая вопрос как сделать своими руками отопление, нередко можно нагнать на себя опаску в тех или иных вопросах. Это абсолютно нормальная реакция на самостоятельную работу, потому что ошибки в этом деле могут обойтись очень дорого владельцу дома. Подготовка расчетов и выбор оборудования зачастую становятся сложнейшими этапами в подготовке к самостоятельному проведению отопления, нежели подключение аппаратуры и процесс проведение линии.
Так как сделать в доме отопление будет сложнее самому, то стоит разделить процесс работы на этапы:

- определение всех возможностей здания, особенностей строения, потребностей семьи, проведение расчетов и выбор типа и конструкции оборудования;
- создание проекта, сметы и технической привязки;
- монтаж отопительного котла, водонагревателя, расширительного бака, насоса циркуляции, отопительных радиаторов, обобщение отопительного оборудования и создание единой цепи всей системы отопления;
- работы и наладки при запуске системы.
Последний пункт является не менее сложным во всем списки планируемых работ. Заканчивая проектирование своими руками система отопления может быть проверена экспертами в этом деле, точно также как и разработка подробного плана проведения, если на этом этапе возникают сложности. В любом случае, выбор того, как будет проводиться работы остается за владельцем дома.
Успех проведения монтажных отопительных работ напрямую зависит от знаний предполагаемого работника.
Произвести монтаж системы отопления частного дома можно самому, разбираясь в системах работы всего отопительного процесса, а так же понимая взаимодействие всех элементов между собой. Научиться самостоятельно процессам монтажа можно смотря обучающие видео. Это достаточно экономичный метод изучения, наглядно показывающий как должен выглядеть ремонт.
Котловое оборудование в доме

Открывая тему как сделать систему отопления своими руками, стоит также рассмотреть варианты отопления дома котловыми системами. Но так как обогрев дома бывает разным и обустройство каждого предполагает свои методики и заключается в разных аспектах, иметь в виду отопление печного типа тоже стоит.
Такой тип хорошо подойдет для одноэтажного домика. Но метод печей распространен уже не так сильно, как раньше. Эта методика предполагает наличие больших запасов топлива, а если дом имеет несколько комнат, то нагревание будет происходить не равномерно.
Газовые котлы

Возвращаясь к котлам нужно различать несколько видов. На первом месте тут стоят газовые котлы, пользующиеся огромным спросом и отличающиеся невероятным удобством и своей простотой. Технология монтажа этих котов самая элементарная. Но, так как речь идет о собственном доме, а некоторые поселки, села или деревни не всегда имеют газовую оснащенность, применение газового котла на этом может ограничиваться.
Дизельные котлы

Далее по популярности идут дизельные котлы. Они работают на топливе жидкого типа и настраиваются с помощью специальной системы, которой возможно управлять так, как это необходимо хозяину дома. Плюсами таких котлов является гигиеничность и простота в использовании. Так же жидкое топливо не занимает много места при хранении. Дизельный котел работает автономно и позволяет обогревать помещения неделями. Единственный недостаток – это запах при сгорании продукта.
Электрические котлы

Котлы электрического типа будут удобными для любителей чистоты и компактности. Они удобны и достаточно просты. Такие котлы пользуются спросом среди владельцев домов, но отличаются дороговизной. Так же, как и дизельные котлы, имеют автономную функцию. Самым высоким КПД обладают котлы твердотопливного типа.
Комбинированный котлы

При неуверенности в каком-то одном виде топлива есть возможности установить комбинированный котел. Этот метод гарантирует беспрерывную работу котла. Однако не стоит забывать, что выбор в первую очередь зависит от энергоносителя и труб. Котлы в этом плане достаточно удобны в использовании, транспортировки и экономии. Помимо этого благодаря котловому оборудованию тепло в помещениях любого размера сохраниться дольше, а система отопления в двухэтажном доме своими руками удобнее.
Отапливая жилой дом, может пригодиться закрытая система отопления своими руками. К такой системе можно отнести котлы. Но при этом порядок работ будет такой: установка, разводка труб, навешивание отопительных регистров. Эта последовательность необходима для того, чтобы не совершать ошибок. Система имеет минимальные затраты и благодаря равномерной циркуляции насоса помещение будет прогреваться быстрее.
Трубы
Выбрать трубы является не меньшей проблемой в вопросе как правильно сделать отопление в двухэтажном доме. Выбор достаточно обширен, но отталкиваться нужно, прежде всего, от типа отопления, материалов и площади. Медные трубы подходят для установки в деревянном доме, а срок их службы очень велик. Но монтировать медные трубы сложно, плюс дорогой материал не всегда может порадовать заказчика.
Распространённым вариантом в области выбора труб являются стальные трубы.

Главное достоинство – это, конечно же, долговечность. Высокая температура таким трубам не страшна. А вот необходимость сварки этих труб вызывает определенные сложности. Полипропилен – материал невысокой стоимости. Трубы из этого материала не нуждаются в сверлении стен и имеют универсальность в том плане, что используются не только для систем отопления. Более подробно о полипропиленовых трубах можно прочитать здесь. Таким образом, пользуясь советами по монтажу, производству и смотря видеоуроки по ремонту можно провести отопление своими руками дома без найма рабочих, особых потерь и больших расходов.
Итак, подведя итог можно очень кратко описать, как своими руками сделать отопление в доме:
Установка главного отопительного прибора. Делать этот пункт необходимо по всем правилам безопасности. Монтажные работы проводятся на необходимом расстоянии относительно других объектов по инструкции.- Если речь идет о котле, то его необходимо соединить с дымоходом.
- Далее проводится монтаж радиаторов в необходимых местах. Правильнее будет расположение под окнами, закрепление батарей на кронштейнах.
Установка труб из выбранного материала проходит совместно со следующими элементами: насос циркуляции, расширительный бак, место для слива (при необходимости). Самостоятельные элементы стоит отделять задвижками, то есть шаровыми кранами.- Последний пункт подразумевает запуск системы, который желательно проводить под контролем специалиста.
Отопление в частном доме – схемы и процесс создания
Если нужно создать или модернизировать отопление в частном доме, то лучше сперва потратить час-другой на изучение вопроса, подборку мнений специалистов, и в частности, на прочтение данного материала, — рассмотреть наиболее распространенные ситуации и проверенные временем решения.
Знание вопроса – ключ к успеху. Даже если отопление в доме самостоятельно делаться не будет, то тогда с пришлыми монтажниками, хозяину лучше разговаривать на их языке. Проще будет проконтролировать правильность и бюджет процесса, самостоятельно можно будет закупить материалы, — значит значительно сэкономить. Поэтому изучить, как делается система отопления, – выгодно.
Как работает отопление
Для обычного жилого дома в подавляющем большинстве случаев применяется водяная система с принудительной циркуляцией жидкости. Теплоноситель движется по трубам под воздействием насоса, нагревает радиаторы, от которых греется воздух. Энергия генерируется в котле.
Все, что этому не соответствует, называется, как «редкость», а специалисты еще называют «дикость», — настолько оно будет уступать по потребительским качествам для жильцов дома обычной площади 70 – 500 м кв.
Из чего состоит
В отоплении всегда применяется ряд узлов и агрегатов, о которых стоит узнать поподробнее.
- Котел – теплогенератор, сжигающий топливо, нагревающий воду (теплоноситель).
- Циркуляционный насос – может не только устанавливаться отдельно, но и находится в составе автоматизированного котла, как и некоторые другие элементы. Гоняет теплоноситель по трубам.
- Трубы – применяются современные пластиковые, металлопластиковые изделия, подбираются по диаметру.
- Радиаторы – передают энергию воздуху.
- Расширительный бак – обязательный элемент, поддерживает стабильное давление при тепловом расширении воды. Предохраняет систему от аварии.
- Группа безопасности — может быть в составе котла или отдельно, включает предохранительный клапан, автоматический воздухоотводчик, манометр. Обязательно устанавливается в любой замкнутой системе.
- Фильтр очистки – небольшой обязательный элемент.

Это минимум обычной системы. Если это грамотно смонтировать, для чего применяются фитинги и краны, то отопление начнет обогревать дом.
Дополнительные элементы системы
- Краны шаровые – два режима работы «открыл-закрыл».
- Вентили балансировочные – похожие на обычные краны — тонкая настройка системы.
- Клапаны дух-трех-ходовые – автоматические регуляторы потока.
- Термоголовки – устройства, управляющие клапанами в зависимости от температуры и ручных установок.
- Краны Маевского – ручные воздухоотводчики, для спуска воздуха.

Чем топить
Прежде всего хозяев волнует вопрос, — чем отапливать дом. В каждой местности сложились свои приоритеты.
- Много домов сейчас отапливается природным газом из магистралей. Это дешевый и удобный вид топлива. Если есть газовая труба, то раздумывать не о чем, нужно подключаться и ставить газовый котел.
- Но также часто можно встретить отопление дровами в твердотопливных котлах. В большинстве регионов это дешево. Но не удобно. Чтобы упростить процесс топки систему дополняют буферной емкостью, или, что хуже – сложными, не лучшими по качествам, устройствами – котлами длительного горения.
- Уголь вытесняет из употребления дрова в отдельных угольных регионах, где он дешев.
- Пеллеты – «автоматизированые дрова», удобней, но дорого.
- Электричество – вытесняет потихоньку дрова, так как очень удобно, и при ночном тарифе – терпимо по цене. Но при дневном тарифе – слишком дорого.
Подробней, чем лучше топить дом можно прочитать здесь…
Какой котел поставить
Какая мощность отопления будет в самый раз?
- С электрическим понятно – сколько разрешит энергонадзор, столько и поставим. Котел скорее всего будет в качестве резервного (или ночного) теплогенератора.
- С твердотопливным все просто, — если строить для себя, то можно взять в запас двойную–тройную мощность – тогда реже топить, можно в режиме тления, быстрее нагреть буфер, быстрее прогреть дом.

Не считаем теплопотери
Точный расчет теплопотерь частного дома может произвести только научно-исследовательская организация. Влияют множество факторов, например, площадь освещаемой солнцем стены и угол ее расположения к солнцу…. На практике, владельцу дома такие данные вообще не нужны.
Точность подбора мощности отопления тут же будет снивелирована, к примеру, заменой окна, выросшим деревом, другим качеством газа, плохим монтажем…
С теплоплотерями все просто – их значения, для определения мощности отопления, грубо принимаются из расчета 1 кВ на 10 м кв. Если такой мощности в итоге окажется мало, то увеличивать ее, при нынешний ценах на энергоносители, — не выгодно. Правильно будет модернизировать дом, утеплять…
Как побороться с холодом в доме
Достаточно знать, что котел не должен быть слабее 10 кВт на 100 м кв. А если при этих условиях, будет прохладно, то и 20 кВт могут не помочь, потому, что хозяин из своего кармана отапливает космическое пространство, которое нагреть сложно.
Прежде всего нужно побороть сквозняки любыми методами и организовать нормальную вентиляцию – как делается вентиляция чтобы сберечь тепло
Дальше нужно перебороть холодный чердак, или крышу и обеспечить их нормативным слоем утепления. Например – утепляем крышу лучшим утеплителем
Желательно термоизолировтать пол, и организовать отопление теплым полом. Как делаются теплые полы – краткая инструкция
После этих мероприятий, если они нормально выполнены, в доме будет тепло…
Как построить теплый дом
Подробней о том, как сделать отопление
Отопление в доме делается в следующей последовательности.
- Принимается решение о схеме подключения отопительных приборов, определятся их точки размещения и соответственно места нахождения трубопроводов. Определяется мощность оборудования и другие технические параметры (составляется проект!…)
- Выбирается место для котла и устанавливается котел, возможно по проекту газификации дома, возможно в связи с привязкой дымохода на естественной тяге.
- Делается обвязка котла, — монтируется трубопровод и обязательное оборудование обеспечивающее его работу и всей системы.
- Распределяются и устанавливаются радиаторы по комнатам в соответствии с необходимой мощностью отопления для каждой комнаты. С этим вопросом можно ознакомится здесь
- Прокладывается трубопровод, подключаются радиаторы и котел со своей обвязкой.
- Система заполняется теплоносителем и испытывается.
Обвязываем котел
Автоматизированные котлы, как правило, содержат в своем корпусе и насос и группу безопасности, а иногда и расширительный бак. Вся их обвязка заключается в установке отключающих кранов.
Для твердотопливного котла устанавливается насос, расширительный бачок, группа безопасности, регулирование температуры, возможны и блоки автоматизации и управления.
В сложных системах все это дополняется гидрострелкой (или контуром первичного кольца) с дополнительными насосами на каждом ответвлении, а также возможно устанавливается буферная емкость, ставиться и бойлер ГВС.

В простейшем варианте твердотопливный котел нужно правильно обвязать – как сделать подключение не автоматизированного котла
Элементы, которые встречаются в сложных системах
- Гидрострелка – принадлежность сложных систем с 3 и более контурами, для выравнивания давления в них.
- Буферная емкость – теплоаккумулятор на большой запас воды, полезен для периодически действующих котлов или для электрокотла на ночном тарифе.



Старые системы не применяются
Упоминалось, что в современном представлении теплоноситель должен двигаться под воздействием насоса. Все самотечное – анахронизм, не практичный, не функциональный и в два раза дороже.

Также по современным представлением система отопления должна быть двухтрубной, а однотрубная – дорогая и в создании и в эксплуатации, громоздкая и не обеспечивающая… Ее цена догоняется за счет большого диаметра труб и фитингов, а кольцевая схема создает и трудности прокладки и сложность в обеспечения одинаковой температуры радиаторов.

Выбираем схему – одну из трех
- Наиболее практичной и широкоприменяемой оказывается тупиковая схема подключения. До 5 радиаторов в одном тупике.
Тупиков может быть несколько, с помощью этой схемы можно охватить даже дом средних размеров.



Как совмещают отопление с дизайном
Сейчас все больше стараются убрать не только трубы под пол, но и сами радиаторы. Устанавливают внутрипольные конвекторы, хоть и более дорогие, но зато не загромождающие интерьер. О наличии отопления с ними будет напоминать декоративная решетка под подоконниками, под входными дверями…

Промежуточный вариант более практичный в эксплуатации – спрятать под пол трубы, на стенах оставить радиаторы с нижним подключением – трубы выходят из пола под радиаторами.

При этом под полом разводка может быть по любой схеме, но наиболее дешевой и практичной оказывается тупиковая с ответвлениями более тонкими трубами от магистрали. Под полом допускается установка обжимных фитингов на металлопластиковых трубах. Часто подключение радиаторов совмещается с разводкой теплого пола в одном пространстве.

Выбрать трубы и радиаторы
Самый дешевый вариант и легко исполняемый самостоятельно — монтаж системы из полипропиленовых труб …. Но его порекомендовать нельзя. Он же самый ненадежный. Виной всему невозможность обеспечения стандартного качества соединения и номинального просвета труб в сварных стыках.
Рекомендуется для надежности использовать металлопластиковые трубы, хоть их фитинги дороги.

О подборе радиаторов можно спорить долго… но подойдут для частного дома любые, которые встретятся в магазине. Подробнее о выборе современных радиаторов
Подключить и установить радиаторы нужно по правилам…
Монтаж
Теперь дело за малым – собрать воедино все элементы, которые и были спроектированы. Кстати, конечно лучше воспользоваться готовым проектом отопления, если таковой имеется….
Вопрос монтажа самостоятельно упирается лишь в вопрос навыков «крутить гайки». Сложного ничего нет, нужно лишь прочитать немного теории и попробовать собрать для начала немного простейшего. Ключевым моментами здесь будут – как обеспечить плотность резьбовых соединений
А если это известно, то и система отопления должна работать исправно… Осталось как залить систему отопления, чтобы она все таки заработала
Отопление частного дома своими руками: схемы и советы
Наличие высококачественной отопительной системы в коттедже обеспечит достаточную степень комфорта и уюта в любое время года. А советы профессионалов, схемы и фотографии реализаций дадут возможность обустроить отопление в частном доме своими руками.
Если вы всерьез подошли к вопросу, как сделать отопление в частном доме, начните с того, что решите, будет ли отапливаться всё жилище, либо акцент делается на отдельных комнатах — это поможет избежать лишних затрат при подборе техники.
Процесс подготовки и проведения работ состоит из следующих этапов:
- составление чертежа и расчет мощности;
- выбор качественного оборудования;
- подготовка места для расположения отопительной системы;
- монтаж отопления;
- подключение оборудования.
Система отопления частного дома своими руками
Прежде чем приступить к организации отопления, нужно составить схему прокладки коммуникаций. Для этого предстоит выбрать, какую систему установить: водяную, паровую, электрическую или открытого огня. Её выбор зависит от финансовых возможностей, личных вкусов и целесообразности установки в помещении. В схеме должны учитываться все элементы отопительной системы. Также на стадии проектирования нужно провести расчет мощности.
Отопительные системы дачных домов и коттеджей отличаются типом используемой энергии, теплоносителем, методом установки, а также набором комплектующих.
Несмотря на различие в эксплуатационных характеристиках, принцип действия большинства состоит из нижеперечисленных этапов:
- В котле подогревается: вода, пар, антифриз или масло.
- Теплоноситель расходится по трубам, ведущим к радиаторам.
- При движении по трубам нагретое вещество отдает тепло радиатору и теплообменнику которые установлены в бойлере или коллекторе, за счет этого и происходит нагрев воды.
- После чего возвращается в котел, где опять нагревается и проходит весь цикл заново.
Вода, по праву, считается лучшим теплоносителем, благодаря следующим качествам:
- доступности;
- большой энергоемкости;
- аккумулятивным свойствам;
- экологической чистоте;
- безопасности.
Несмотря на все преимущества водяного отопления, включая легкость замены теплоносителя (слива) для замены части системы, существует и весомый минус: в зимний период вода замерзает и трубы могут лопнуть. Поэтому его следует выбирать в случае, когда частный дом прогревается постоянно (плохо подходит для дач, где зимой хозяева появляются очень редко).
Использование в качестве теплоносителя антифриза или масла решит проблему с замерзанием, но при сливе понадобятся специальные емкости и стоимость замены вещества обойдется достаточно дорого. Поэтому водяному отоплению и отдают предпочтение.
Нагрев жидкостей производится в котлах, для которых используется топливо: дрова или пилеты(евродрова) а также уголь, газ, электричество или солярка.
Водяное отопление частного дома своими руками схемы
Отопление при помощи воды отличается высоким качеством и простотой организации среди остальных типов обогрева. Системы разнятся видом топлива, на котором работают: жидком (солярка, мазут); твердом (уголь, торф, древесина); газу или электроэнергии. Рационально подбирать котел, исходя из доступности конкретного вида горючего.
При монтаже водяного обогрева применяют следующие типы труб: медные, стальные, из нержавеющих металлов либо полимерные. Поскольку от выбора материала зависит надежность и прочность системы, рассмотрим все варианты:
- Стальные трубы отличаются невысокой стоимостью и доступностью, однако они подвержены коррозии. Соединять их рекомендуют при помощи резьбы, так как при сварке места соединения будут ржаветь.
- Медные трубы характеризуются как самые долговечные и надежные, но довольно дорогие. Соединяют их при помощи пайки.
- Трубы из нержавеющих металлов будут самыми долговечными, при этом потребуют больших финансовых затрат. Соединяют такие трубы посредством резьбы.
- Полимерные трубы отличаются небольшой ценой при малой стойкости к перепадам температур. Их можно соединять пайкой либо посредством резьбы.
Водяное отопление отдельного дома, независимо от топлива которым нагревается теплоноситель, может быть одноконтурным и двухконтурным. Первый способ позволяет эксплуатировать систему для обогрева помещения либо нагрева воды, тогда как при втором совмещаются обе функции. Довольно практичным является прокладывание двух одноконтурных систем. Такой способ выгоден при подогреве воды в летний период и обеспечивает экономную работу котла.
Системы отопления частных домов различают по типу разводки: коллекторная, однотрубная и двухтрубная.
- В однотрубной схеме нагретая жидкость, двигаясь, постепенно теряет температуру, вследствие чего последние батареи будут неспособны отопить комнату.
- Наилучшим образом обогреть коттедж позволит двухтрубная система отопления. Этот способ предполагает подключение к радиатору двух трубопроводных веток. По одной подается нагретая вода, а по другой выводится охлажденная. Ветка с нагретым теплоносителем подводится параллельно ко всем батареям. Установка термостатов по линии подачи горячего теплоносителя перед радиаторами дает возможность регулировать температуру. Потери тепла при использовании данного способы незначительны.
- Коллекторная система считается самой передовой на данный момент. Она функционирует следующим образом: от коллектора ко всем радиаторам отходит 2 трубы (по одной поступает горячая вода, а вторая служит для возвращения остывшей). Её использование делает возможным регулирование температуры в любом из помещений и позволяет проводить ремонт, не отключая полностью отопление дома.
Расчет отопления подразумевает под собой точное определение необходимой мощности котла. Рассчитывают отопление частного дома по следующей формуле:
где W –мощность, кВт;
k – коэффициент поправки. Чтобы показатель мощности котла можно было рассчитать максимально точно вводятся специальные коэффициенты. Они зависят от общей температуры и погодных условий для различных областей (для Подмосковья и средней полосы России принято использовать коэффициент 1,2-1,5; для Урала и северных регионов 1,5-2; на юге 0,7-1,2).;
S – площадь коттеджа в метрах квадратных.
Рекомендуют к рассчитанному значению добавить 20% запаса производительности. Это позволит на случай сильных морозов не перегружать котел при роботе на полную мощность.
Паровая система отопления частного дома схема своими руками
Отопление частного дома своими руками иногда организовывают следующим образом: вода, нагреваясь в котле, переходит в газообразную форму, затем попадает в отопительные батареи, где, становясь конденсатом, передает им тепло и, уже в жидкой форме, возвращается в котел. Существует два типа систем отопления паром: открытый и закрытый. В первом используют специальный бак для аккумуляции конденсата, а во втором — выпавший в осадок пар попадает в котел через установленную трубку с улавливателем.
Отопление в частном доме парового типа на сегодняшний день не актуально, и применяют его лишь на предприятиях, так как котел занимает много места, и к тому же он достаточно сложен и опасен в использовании.
Частный дом монтаж отопления. Печная система

Использование печей в качестве основной системы отопления с каждым годом встречается все реже, однако, именно они создают особую уютную атмосферу.
Существуют такие варианты печей, обеспечивающие эффективный обогрев:
- Металлические — просты в установке, быстро прогреваются, однако не обладают способностью аккумулировать тепло. Из-за своей малой общей теплоемкости печка отдает тепло лишь в течение 2 – 3 часов, а потом её нужно протапливать снова и снова. А это чревато значительным расходом топлива.
- Каменные — обеспечивают постоянный, более качественный обогрев (за счет массы в них дольше сохраняется заданная температура), но требуют сложной установки. Каменные отопительные печи бывают различных видов: отопительные (голландка); отопительно-варочные (шведки, русские печи); обычные варочные (печи под казан, барбекю); узконаправленные (каменка для бани, тепличные, гаражные печи). Такое разнообразие видов позволяет выбрать наиболее подходящий образец.
С рациональной точки зрения отличным решением станет отопительно-варочная печь. Поверхность исполняет одновременно две функции: служит для приготовления пищи и прогревает помещение. Из-за открытой комфорочной поверхности тепло печи растрачивается быстрее. Достаточно популярны печи-камины со стеклянной дверью, работающие как открытая либо закрытая печь.
Печное отопление может быть организовано двумя способами. В первом случае обогрев помещения производится за счет нагрева самой печи от продуктов горения (дров или солярки), такой способ часто встречается в деревнях, селах, поселках, но к нему можно отнести также и каминное отопление (подогрев воздуха). Во втором случае печь сжигая материалы подогревает теплоноситель собственным теплом или горячим воздухом, который поднимается и подается по трубам к нагревательному элементу. Далее нагретое вещество (вода, масло, антифриз) поступает в однотрубную, либо двухтрубную сеть.
Следует отметить, что печное отопление приемлемо лишь в жилищах небольшой площади. При обогреве больших коттеджей стоит рассмотреть другие варианты.
Отопление частного дома своими руками: преимущества газа как топлива
Наличие возле участка газопровода позволит вам провести газовое отопление частного дома своими руками.
Использование газа как топлива и соответствующего котла обладает рядом преимуществ:
- поддерживает необходимую температуру и долго сохраняет тепло;
- позволяет эффективно и безопасно обогревать достаточно большие здания;
- не создает необходимости заготовки дополнительных компонентов;
- позволяет корректировать и поддерживать заданную температуру, благодаря оснащению термостатами новейших газовых систем;
- снижает возможность возгорания, благодаря низкой температуре продуктов сгорания.
При газовом отоплении применяют однотрубную или двухтрубную разводку (особенности которых рассмотрены в разделе водяное отопление своими руками).
Монтаж отопления в частном доме вполне реально осуществить самостоятельно, однако выбрав газовый тип отопления, следует помнить, что проводить работы по монтажу оборудования могут лишь организации, имеющие необходимые разрешения.
Итог
Сделать отопление частного дома своими руками, используя схемы и советы, приведенные выше, вполне возможно. Нужно лишь помнить, что правильный выбор системы отопления зависит от доступности топлива, размеров отапливаемого коттеджа и ваших финансовых возможностей.
Как провести отопление от котла
Как таковых температурных норм для частных домов нет, каждый выбирает режим, который его устраивает. Оптимальным показателями считается 23-25°. Уже на стадии проектирования системы отопления необходимо рассчитать количество требуемого тепла и на основании этого подобрать оборудование, определиться с типом разводки, приобрести трубы определенного размера и сечения.
Системы отопления в частных домах
Для частных домов без центрального отопления существуют различные варианты отопительных систем. Они делятся на три основных типа: водяное отопление, воздушное отопление, электрическое отопление.
При воздушной системе отопления нагревание воздуха происходит непосредственно возле теплового агрегата (печи, камина), дальше тепло по законам физики заполняет помещение.
Электрическая система подразумевает использование электроконвекторов и/или системы «теплого пола». Оборудовать такой пол имеет смысл только при наличии радиаторов, в одиночку с прогревом дома он не справится.
В России наибольшую популярность получила система водяного отопления. Относительно недорого и практично. Главный плюс такой системы в том, что тепло равномерно распространяется по всем отапливаемым помещениям. Минусы – трудоемкий монтаж и необходимость в постоянном уходе.
Структура системы отопления
Система водяного отопления состоит из трех основных элементов:
- Котел, являющийся отопительным прибором.
- Трубы, по которым, собственно, перемещается жидкость.
- Радиаторы.
Существуют разновидности котлов, различающиеся видом топлива. Активно используются котлы, работающие на газе, солярке, дровах, угле, электричестве. Сейчас можно выбрать комбинированную модель, функционирующую, например, на газе и дровах, газе и электричестве. Заканчивается один вид топлива – переходите на другой.
Универсальной рекомендации здесь нет: все зависит от доступности и цены разных ресурсов. Используя модель, работающую на жидком или твердом топливе, вы получаете автономную систему, и при отключении электричества мерзнуть не придется.
Модели котлов различаются и по мощности, поэтому выбор осуществляется с учетом площади помещения, которое планируется обогревать. Расчет требуемой мощности можно произвести самостоятельно: соотношения один киловатт на десять квадратных метров будет достаточно, но высота стен помещения не должна превышать трех метров. На уровень теплоизоляции дома, размеры оконных рам, необходимость обогрева дополнительных помещений (кладовка, веранда, чердак) тоже стоит обратить внимание.
Трубы для котлов еще недавно предпочитали стальные, но они быстро ржавели. Сейчас перешли на нержавейку и медь. Медные изделия обладают лучшими эксплуатационными характеристиками: легко переносят перепады давления и температур, не ржавеют, очень устойчивы к физическим воздействиям. Правда, стоят они недешево.
Более экономичны трубы из полимеров. Как правило это полипропилен: прочный, долго служит, устойчив к коррозии, легко и быстро монтируется. Недостаток состоит в том, что при перепадах температур материал может расширяться, что рано или поздно выводит трубы из строя.
При всей относительной легкости монтажа полипропиленовых труб вам не обойтись без сварочного аппарата: он необходим для соединения отдельных труб и закрепления их фитингами. Стоит такой инструмент недешево, но его можно взять напрокат.
Радиаторы бывают стальные, чугунные, алюминиевые, биметаллические. От материала зависят теплоемкость, прочность, устойчивость к давлению, срок эксплуатации. Например, чугун прослужит 50 лет и больше, а алюминий – 15-20. Еще один важный момент – общая площадь радиатора: чем она больше, тем и тепла будет выделяться больше.
В целом же, для отопления частного дома подойдут любые из перечисленных типов. Приоритеты могут быть разные у каждого домовладельца. Алюминиевые батареи имеют самую высокую отдачу тепла. Стальные радиаторы отопления дешевые и непрактичные. Биметаллические, которые сегодня активно рекомендуют на строительных форумах, наоборот, дорогие и тепла выделяют меньше алюминиевых. Для системы автономного отопления они, возможно, это не лучший выбор.
Принцип работы системы водяного отопления
Водяной обогрев работает по несложной схеме: генератор тепла (котел) разогревает воду (как вариант – гликолевый раствор), которая по трубам идет к радиаторам, те отдают тепло помещению, прогревая воздух. Остывая, жидкость возвращается к котлу, опять нагревается и идет на повторный заход. Эта система замкнута и циклична.
Циркуляция воды может осуществляться в двух видах, отличающихся друг от друга, и при проведении системы теплоснабжения этот момент нужно учесть.
Естественная (гравитационная) циркуляция происходит за счет разности плотностей горячей и холодной воды. Горячая вода имеет меньшую плотность, а значит, и вес, поэтому, по законам физики, движется по трубопроводу в радиатор. Охлаждаясь, вода прибавляет в весе и уходит обратно в котел. Такая система автономна, не нуждается в электричестве и конструктивно несложная, но при ее монтаже необходимо предусмотреть размещение большого количества труб широкого диаметра и обеспечить уклон с углом не менее двух градусов.
При принудительной циркуляции вода перемещается при помощи специального насоса. Здесь, помимо котла, монтируется бачок расширения, в который уходит лишняя жидкость. Кроме того, во избежание прорыва труб в такой системе предусмотрен манометр для контроля давления в трубопроводе. Для подобной схемы отопления необходимо электричество – это дополнительные регулярные затраты, однако труб требуется меньше, а температуру можно контролировать.
Монтаж трубопровода: важные моменты
Существует две схемы монтажа водяного отопления от котла в частном доме:
- Одноконтурная схема рассчитана только на обогрев помещений. Состоит из котла с воздушной вытяжкой, однотрубной разводки и радиатора с нужным количеством секций. Чтобы обеспечить поступление горячей воды в доме, нужно будет устанавливать дополнительную конструкцию: одна отапливает дом, вторая подает воду. Эта система, простая в сборке и сравнительно дешевая, подойдет для небольших дачных домиков (до ста квадратов). При необходимости систему можно прокачать, установив насос для циркуляции и устройства регулирования температуры.
- Двухконтурная схема позволяет одновременно обогревать помещение и подавать горячую воду. Но эксплуатационные характеристики данной системы таковы, что применима она только для домов, в которых проживает до четырех человек.
Следующий принципиальный момент – тип трубопровода. Их существует три.
- Однотрубная система. По этой схеме вода будет идти от радиатора к радиатору, постепенно охлаждаясь, поэтому следующая батарея будет холоднее предыдущей. Этот вариант не имеет смысла в многокомнатных домах, а для небольшого домика вполне подойдет.
- Двухтрубная система отапливает помещения более качественно. Схемой предусмотрено проведение двух труб к каждой батарее. По одной трубе идет горячая вода, вторая направляет остывшую воду к котлу, что сводит потери тепла к минимуму.
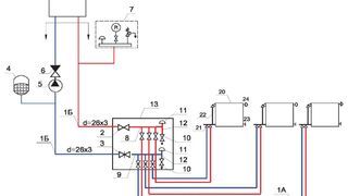
- Коллекторная система самая «теплая». Здесь много труб, каждая из которых подводится к каждому радиатору. Можно контролировать температуру на каждой батарее. Минус в том, что работа по монтажу такой системы очень трудоемкая: мало того, что нужно обустроить большое количество труб, так еще и коллекторный шкаф нужно установить. Не в каждом доме хватит на это места.
При проведении водяного отопления необходимо учесть все нюансы, связанные как с характеристиками помещения, так и с вашими конкретными целями. Существующие схемы монтажа трубопровода наглядно показывают весь алгоритм такой работы. Однако, планируя трудоемкие варианты решения, не стоит пренебрегать помощью специалистов.